LONGITUDINAL

AIR LEVELS

 

 

 

 

 

 

 

 

 

 

Longitudinal air levels are used for one-dimensional alignment, e.g. for long beams or devices that only need to be adjusted in one direction. They consist of a plastic or glass tube level drilled out or precision ground to create a barrel-shaped interior. Low-sensitivity models feature a slightly curved glass tube level. All models include a high-quality metallic housing.

Our standard longitudinal air levels are set on one reference surface. We also offer a wide range of

longitudinal air levels for all types of applications.

MODEL
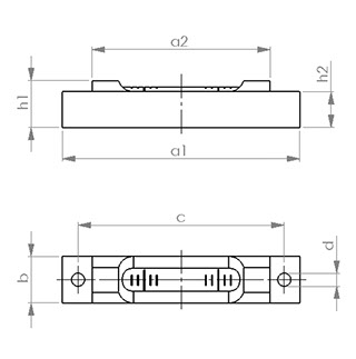
3001/3002/3003

Modell 3001

longitudinal bubble with 1 view window

 

Modell 3002

longitudinal bubble with 2 view windows

 

Modell 3003

longitudinal bubble with 3 view windows

 

 

 

Models 3001, 3002 & 3003 are available in the following standard sensitivities:        30´– 50´ , 4´– 6´, 1´– 2´, 20´´

 

The housing is made of high-gloss polished nickel-plated brass or black varnished brass. Models 3001, 3002 & 3003 are set level to the  po­lished bottom surface.

Ordering Information

Request For Proposal

MODEL
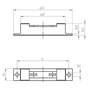
3010

Model 3010

longitudinal air level

 

Model 3010 is available in different sensitivities.

 

The housing is made of natural anodised aluminium.

 

Model 3010 is set level to the polished bottom

surface.

 

 

 

Ordering Information

Request For Proposal

MODEL
3020

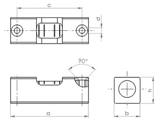
Model 3020

longitudinal air level

 

Model 3020 is available in different sensitivities.

 

The housing is made of black anodised aluminium.

 

Model 3020 is set level to the polished bottom

surface.

 

 

 

Ordering Information

Request For Proposal

MODEL
3025

Model 3025

longitudinal air level

 

Model 3025 is available in different sensitivities.

Its sturdy housing makes it suitable for high sensitivities. The housing is made of black anodised aluminium.

 

Model 3025 is set level to the polished bottom

surface.

 

 

 

Ordering Information

Request For Proposal

MODEL
3026

Model 3026

longitudinal air level with adjusting plate

 

Model 3026 is available in different sensitivities.

Its sturdy housing makes it suitable for high sensitivities.

 

The housing and the adjusting plate are made of black anodised aluminium. A spring separates the longitudinal air level and adjusting plate. Two fine threaded screws are used to secure the level to the base plate.

 

Model 3026 is also suitable for use as a machine bubble level.

 

 

 

 

Ordering Information

Request For Proposal

MODEL
3030

Model 3030

longitudinal air level

for flush mounting

 

 

Model 3030 is available in different sensitivities.

Its design makes it suitable for flush mounting.

 

The housing is made of black anodised aluminium.

 

Model 3030 is set level to the bottom surface of the flange.

 

 

 

Ordering Information

Request For Proposal

MODEL
3040

Model 3040

hex. longitudinal air level with one ­viewing window

 

 

Model 3040 is available in different sensitivities.

 

The model 3040 hexagonal longitudinal air level has one viewing window on top and is available in two lengths. The 65 mm version has two boreholes for attaching.

 

Model 3040-065 has a high-gloss polished chrome-plated brass housing, and model 3040-043 has a high-gloss polished nickel-plated brass housing.

 

Model 3040 is set level to the polished bottom surface.

 

 

 

 

Ordering Information

Request For Proposal

MODEL
3041

Model 3041

hex. longitudinal air level with three ­viewing windows

 

 

Model 3041 is available in different sensitivities.

 

The housing is made of high-gloss polished chrome-plated brass. The hexagonal longitudinal air level has three viewing windows and two boreholes for attaching.

 

Model 3041 is set level to the polished bottom surface.

 

 

 

 

 

Ordering Information

Request For Proposal

MODEL
3050

Model 3050

small spirit level

 

 

Model 3050 is available in different sensitivities.

 

The housing is made of nickel-plated brass with two boreholes for attaching.

 

Model 3050 is set level to the polished bottom surface.

 

 

 

 

 

 

Ordering Information

Request For Proposal

MODEL
3060

Model 3060

small spirit level

 

 

Model 3060 is available in different sensitivities.

 

The housing is made of black anodised aluminium with two boreholes for attaching.

 

The small spirit level is available in two different lengths.

 

 

Model 3060 is set level to the polished bottom ­surface.

 

 

 

 

 

 

Ordering Information

Request For Proposal

MODEL
3070

Model 3070

square spirit level

 

 

Model 3070 is available in different length and sensitivities.

 

The housing is made of black painted brass.

 

 

Model 3070 is set level to the polished bottom ­surface.

 

 

 

 

 

 

Ordering Information

Request For Proposal

MODEL
3080

Model 3080

control spirit level

 

 

Model 3080 is available in different sensitivities.

 

The sleek housing is made of high-gloss polished nickel-plated brass.

 

Model 3080 is set level to the polished bottom ­surface.

 

 

 

 

 

Ordering Information

Request For Proposal