 
      
 
      
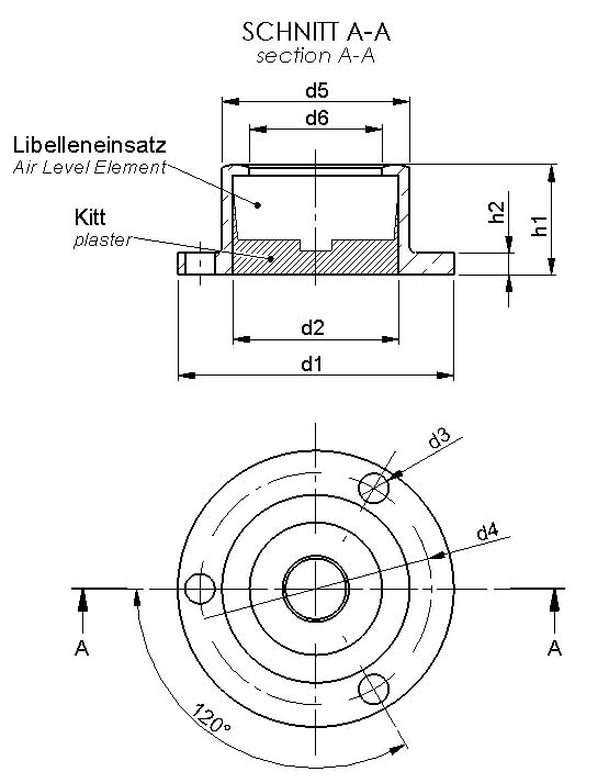
     Die Dosenlibelle wird zur Ausrichtung in zwei Dimensionen benutzt, z.B. beim Aufbau eines Stativs für optische Geräte, und besteht aus einem Kunststoff- oder Aluminium/Glas-Gefäß das innen konkav ausgeprägt oder geschliffen ist und in einem Metallgehäuse verbaut ist.
 
     Tut sie es, kann man sich ihren Spielpunkt merken bzw. markieren, oder die Horizontierung nach Drehung um 180° mit der ersten mitteln. Verfügt die Dosenlibelle über Justierschrauben, kann man sie mit deren Hilfe feinjustieren.
Mittig angeordnet sind eine oder mehrere Ringmarkierungen. Standardmäßig werden unsere Dosenlibellen auf eine Referenzfläche justiert. Unser Portfolio bietet aber auch justierbare Dosenlibellen, die über Gewindelöcher justiert werden können.
Das Modell 1001 ist in verschiedenen Größen lieferbar. Als Standard in der Ausführung hochglanzpoliertes Messing vernickelt mit drei Bohrungen.
Die Empfindlichkeit der Dosenlibelle ist je nach gewünschtem Libelleneinsatz. Passende Libelleneinsätze finden Sie im Bereich »Libelleneinsätze«. Als Standard verwenden wir Libelleneinsätze Modell 1503 mit einer Empfindlichkeit von 30‘ – 40‘ und einem schwarzen Kontrastring (SK) um die Luftblase besser erkennen zu können.
Das Modell 1001 ist auf die abgeschliffene Bodenfläche justiert.
 
      
      Bestellhinweis
Angebotsanfrage
 
      
    
Das Modell 1002 ist in verschiedenen Größen lieferbar. Als Standard in der Ausführung hochglanzpoliertes Messing vernickelt mit drei Bohrungen.
Die Empfindlichkeit der Dosenlibelle ist je nach gewünschtem Libelleneinsatz. Passende Libelleneinsätze finden Sie im Bereich »Libelleneinsätze«. Als Standard verwenden wir Libelleneinsätze Modell 1503 mit einer Empfindlichkeit von 30‘ – 40‘ und einem schwarzen Kontrastring (SK) um die Luftblase besser erkennen zu können.
Das Modell 1002 ist auf die untere Flanschfläche justiert.
 
      
     Bestellhinweis
Angebotsanfrage
 
       
    
Das Modell 1003 ist in verschiedenen Größen lieferbar. Als Standard in der Ausführung hochglanzpoliertes Messing vernickelt.
Die Empfindlichkeit der Dosenlibelle ist je nach gewünschtem Libelleneinsatz. Passende Libelleneinsätze finden Sie im Bereich »Libelleneinsätze«. Als Standard verwenden wir Libelleneinsätze Modell 1503 mit einer Empfindlichkeit von 30‘ – 40‘ und einem schwarzen Kontrastring (SK) um die Luftblase besser erkennen zu können.
Das Modell 1003 ist auf die untere Flanschfläche justiert.
XXX....steht für die Empfindlichkeit / stands for sensitivity
 
      
      Bestellhinweis
Angebotsanfrage
 
      
    
Das Modell 1004 ist in verschiedenen Größen lieferbar. Als Standard in der Ausführung hochglanzpoliertes Messing vernickelt mit drei Bohrungen.
Die Empfindlichkeit der Dosenlibelle ist je nach gewünschtem Libelleneinsatz. Passende Libelleneinsätze finden Sie im Bereich »Libelleneinsätze«. Als Standard verwenden wir Libelleneinsätze Modell 1503 mit einer Empfindlichkeit von 30‘ – 40‘ und einem schwarzen Kontrastring (SK) um die Luftblase besser erkennen zu können.
Das Modell 1004 ist auf die untere Flanschfläche
justiert.
 
      
      Bestellhinweis
Angebotsanfrage
 
      
    
Das Modell 1005 ist in verschiedenen Größen lieferbar. Als Standard in der Ausführung hochglanzpoliertes Messing vernickelt.
Die Empfindlichkeit der Dosenlibelle ist je nach gewünschtem Libelleneinsatz. Passende Libelleneinsätze finden Sie im Bereich »Libelleneinsätze«. Als Standard verwenden wir Libelleneinsätze Modell 1503 mit einer Empfindlichkeit von 30‘ – 40‘ und einem schwarzen Kontrastring (SK) um die Luftblase besser erkennen zu können.
Das Modell 1005 ist auf den Auflagerand justiert.
 
      
     Bestellhinweis
Angebotsanfrage
 
       
    
Das Modell 1006 ist in verschiedenen Größen lieferbar. Als Standard in der Ausführung hochglanzpoliertes Messing vernickelt.
Die Empfindlichkeit der Dosenlibelle ist je nach gewünschtem Libelleneinsatz. Passende Libelleneinsätze finden Sie im Bereich »Libelleneinsätze«. Als Standard verwenden wir Libelleneinsätze Modell 1503 mit einer Empfindlichkeit von 30‘ – 40‘ und einem schwarzen Kontrastring (SK) um die Luftblase besser erkennen zu können.
Das Modell 1006 ist auf den Auflagerand der Libellenfassung justiert.
Es stehen verschiedene Gewindezapfen zur Auswahl.
 
      
     Bestellhinweis
Angebotsanfrage
 
      
    
Das Modell 1007 ist in verschiedenen Farben/Oberflächen lieferbar. Als Standard in der Ausführung schwarz lackiertem Messing.
Die Empfindlichkeit der Dosenlibelle ist je nach gewünschtem Libelleneinsatz. Passende Libelleneinsätze finden Sie im Bereich »Libelleneinsätze«. Als Standard verwenden wir Libelleneinsätze Modell 1503 mit einer Empfindlichkeit von 30‘ – 40‘ und einem schwarzen Kontrastring (SK) um die Luftblase besser erkennen zu können.
Das Modell 1007 ist auf die abgeschliffene Bodenfläche justiert.
 
      
      
    
Für das Modell 1008 stehen verschiedene Gewindezapfen zur Auswahl. Das Gehäuse besteht aus hochglanzpoliertem Messing verchromt.
Als Libelleneinsatz wird das Modell 1503-012 eingesetzt. Es stehen verschiedene Empfindlichkeiten zur Auswahl. Weitere Informationen finden Sie im Bereich »Libelleneinsätze«. Als Standard verwenden wir eine Empfindlichkeit von 30‘ – 40‘ und einen schwarzen Kontrastring (SK) um die Luftblase besser erkennen zu können.
Das Modell 1008 ist auf den Auflagerand der Libellenfassung justiert.
 
       
      Bestellhinweis
Angebotsanfrage
 
      
    
Das Modell 1009 ist in verschiedenen Größen und Designs lieferbar.
Die Empfindlichkeit der Dosenlibelle ist je nach gewünschtem Libelleneinsatz. Passende Libelleneinsätze finden Sie im Bereich »Libelleneinsätze«. Als Standard verwenden wir Libelleneinsätze Modell 1503 mit einer Empfindlichkeit von 30‘ – 40‘ und einem schwarzen Kontrastring (SK) um die Luftblase besser erkennen zu können.
Das Modell 1009 ist nicht justiert.
Modell 1009-017 und Modell 1009-018 sind auch ohne Kugel lieferbar.
 
       
      Bestellhinweis
Angebotsanfrage
 
      
    
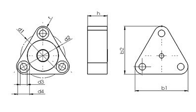
Das Modell 1009-026 besteht aus einem dreieckigen Aluminiumgehäuse in dem ein Libelleneinsatz
Ø 15 mm verbaut ist. Das Modell 1009-026 kann somit in verschiedenen Empfindlichkeiten gefertigt werden (siehe Bereich »Libelleneinsätze«).
Das Modell 1009 ist nicht auf die Bodenfläche justiert.
 
      
      Bestellhinweis
Angebotsanfrage
 
       
    
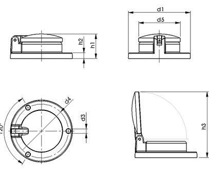
Das Modell 1010 besteht aus einem stabilen
Aluminiumgussgehäuse, hat einen klappbaren
Deckel zum Schutz des Libellenkörpers und ist in
verschiedenen Farben lieferbar (z.B. Rot, Silber,
Bronzegrün). Als Standard jedoch in der Farbe RAL 6031 (Bronzegrün).
Das Modell 1010 ist auf die Bodenfläche justiert.
 
      
      Bestellhinweis
Angebotsanfrage
 
      
    
Das Modell 1011 ist in der Ausführung aus hochglanzpoliertem Messing vernickelt lieferbar.
Die Empfindlichkeit der Dosenlibelle ist je nach gewünschtem Libelleneinsatz. Passende Libelleneinsätze finden Sie im Bereich »Libelleneinsätze«. Als Standard verwenden wir Libelleneinsätze Modell 1503 mit einer Empfindlichkeit von 30‘ – 40‘ und einem schwarzen Kontrastring (SK) um die Luftblase besser erkennen zu können.
Das Modell 1011 ist auf die untere Flanschfläche justiert.
 
       
      Bestellhinweis
Angebotsanfrage
